
大規模リフォームの開始前から、契約時、現場と建て主に密着取材した新潟市の大規模リフォームのレポート。第3回は完結編として、引き渡し時点で建て主に工事中のことを振り返ってもらい、引き渡し後の評価についても紹介する。

大菅 力(おおすが・つとむ)
1967年東京生まれ。早稲田大学第二文学部中退後、木材業界雑誌の出版社を経て1994年に株式会社建築知識(現:株式会社エクスナレッジ)に入社。月刊「建築知識」、季刊「iA」などの建築、インテリア専門誌の編集長を務める。2010年に退社。現在フリー。季刊「リノベーションジャーナル」(新建新聞社刊)の編集長を務める。主な著作に「リフォーム 見積り+工事管理マニュアル」(建築資料研究社)、「世界で一番やさしい仕上材(内装編)」(エクスナレッジ)、「心地よい住まいの間取りがわかる本」(同)がある。
第70回「郊外の地下室付き住宅のリフォーム」<その3>


質疑の回答はその日のうちに
建て主であるAさんの夫は仕事の関係で週末だけ自宅に帰ってくる。顔を合わせる機会が限られることもあり、現場が始まってからはグループLINEを利用し、設計施工を担う自然派ライフ住宅設計(新潟市)と緊密に連絡をもった。同社側は現場監督が窓口となり、工事の進捗の報告や提案などを行った。「工事の進捗写真がたくさん送られてきたのがよかった。進み具合が分かりやすかった」と妻は話す。
Aさん夫妻からも質問や相談などを行った。回答はその日のうちに帰ってきた。「お金を出すのは自分なのだから全部自分で判断して結論を出したかった。その点で回答が早かったのは安心感があった」と夫は振り返る。
現場に入ってから同社が提案したのは主に内装と設備機器。その1つが玄関の天井の扱い。既存の天井は格天井となっており、仕事も丁寧でやり変えるのには忍びない。ただし、そのままだと和風の印象が強すぎる。そこで鏡板に和紙を貼ってはどうかと提案した。Aさん夫妻はそれを気に入り、採用した。
同様にトイレ周辺の仕上げについても提案した。当初は予算調整のために既存のままとする予定だったが、そのほかの部屋が刷新されると古いままだと浮いて見える。そこで、同社壁と天井を仕上げ直すことを提案。もちろんAさん夫妻に異存はなかった。天井に化粧石膏ボードを張り、壁は既存の京壁の上からプライマーを塗って剥落を抑え、壁紙を貼って仕上げた。
設備については、2階の子ども部屋の照明器具をリモコンタイプにしてはどうかと提案した。将来2つに仕切ったときの使いやすさに配慮しての提案だ。エアコンの設置箇所や台数、それを同社が付けるのかAさん夫妻が引き渡し後に付けるのかなどについてもやり取りが行われた。当初、Aさん夫妻はコスト削減のために引き渡し後に電気店で購入して取り付けようと考えていたが、コスト削減の効果がそれほど大きくないことや施工不良のリスク、電器店などとやり取りする労力などを考えて、工務店に付けてもらうことにした。メインのリビングのエアコンに加え、寝室にも設置した。
- 改修後の1階平面図
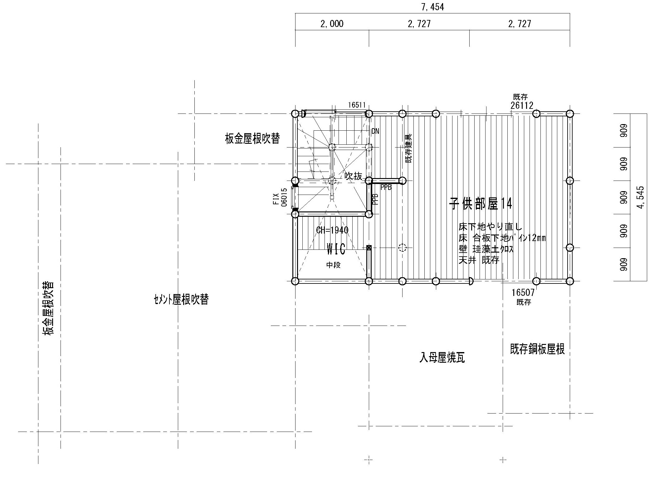
- 改修後の2階平面図
- 改修後の玄関の様子。天井の仕上げを現場で決めた
- 天井の詳細。既存の格天井の鏡板の上から和紙を貼った
住宅ビジネスに関する情報は「新建ハウジング」で。試読・購読の申し込みはこちら。

































